KP28163SGA
  • KP28163SGAKP28163SGA

KP28163SGA

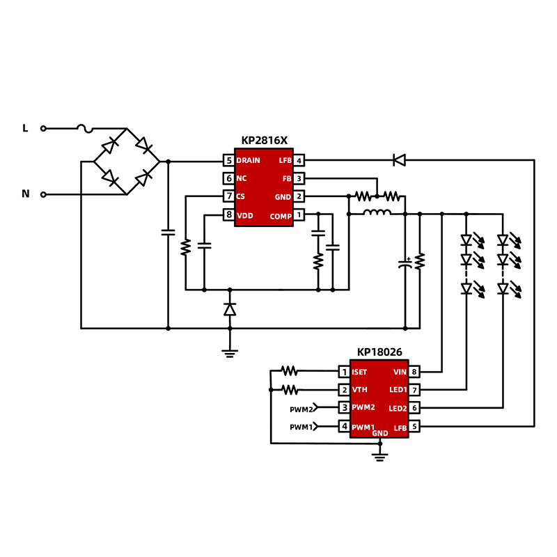
KP28163SGA estas unuetapa alta PFC ne izolita buck konstanta tensio blato. La blato adoptas kvazaŭ resonancan operacian reĝimon kaj adapte ĝustigas la eligan tension, kiu ne nur plenumas la tensiopostulojn de la pli posta etapo lineara konstanta kurento, sed ankaŭ plibonigas sisteman efikecon.

Sendu Demandon

Priskribo de la produkto

Alta PF ne-izolita BUCK konstanta tensio enkonstruita MOS-blato, ne-izolita malheliĝado sen stroboskopa blato.


KP28163SGA estas konstanta tensio-eliga potencoŝaltilo por malheligi kaj tonigi LED-aplikojn. La blato adoptas kvazaŭ-resonancan reĝimon kaj adapte ĝustigas la eligan tension, kiu ne nur plenumas la tensiopostulon de la lineara konstanta kurento post la scenejo, sed ankaŭ plibonigas la efikecon de la sistemo. La KP28163 havas integran alttensian 500V-potencan MOSFET kaj alttensian starton kaj nutran cirkviton, simpligante sisteman dezajnon kaj produktadkostojn. La blato havas malpezan ŝarĝan frekvencan reduktan reĝimon, kiu povas plibonigi la stabilecon de la sistemo sub malpeza ŝarĝo aŭ sen ŝarĝo, kaj havas altan efikecon. La KP28163SGA estas integrita kun kompletaj protektaj funkcioj, inkluzive de: VDD-subtensio-protekto (UVLO), eliga supertensio-protekto (OVP), eligo-protekto de mallonga cirkvito (SCP), ciklo per ciklo-kurenta limo (OCP), enkonstruita kontraŭvarmiĝoprotekto, kaj antaŭa malplenigo (LEB).


Ĉefa trajto

• Kvazaŭ-resonanca laborreĝimo, alta efikeco

• Potenca faktoro >0,7

• Patentita adapta arkitekturo de kontrolo de konstanta tensio

• Integrita alta tensio komenco kaj nutrado cirkvito

• Integrita alta tensio 500V MOSFET

• Neniu bruo en plena ŝarĝo

• Enkapsuligo tipo SOP-8


• Integritaj protektaj funkcioj:

• Protekto kontraŭ subtensio de VDD (VDD UVLO)

• Protekto de Supertensio de Eligo (OVP)

• Eliga Protekto kontraŭ Mallonga cirkvito (SCP)

• Protekto kontraŭ varmiĝo (OTP)

• Fronta malplenigo (LEB)


Tipa apliko

• Mallumigado kaj koloriga inteligenta lumigado

• Konstanta tensio nutrado



Kontaktu Nin

Ŝenĵeno ĉefsidejo: 10-a Etaĝo, Esplora kaj Evolua Centro Konstruaĵo, EVOC-Industria Parko, 

Guangming Strato, Guangming Distrikto, Ŝenĵen urbo, Guangdong provinco, Ĉinio

Firmao oficiala retejo: www.cokinsemi.com

 

Retpoŝto: wyq@cokinic.com

Telefono:+86-18681585060

 




Varmaj Etikedoj: KP28163SGA, Ĉinio, Fabrikisto, Provizanto, Fabriko, Agordita, Malalta Prezo, Kvalito, Altnivela, Daŭrebla, Plej lasta Vendado, En Stoko
Rilata Kategorio
Sendu Demandon
Bonvolu Bonvolu doni vian enketon en la suba formularo. Ni respondos al vi en 24 horoj.
X
Ni uzas kuketojn por oferti al vi pli bonan foliuman sperton, analizi retejon-trafikon kaj personecigi enhavon. Uzante ĉi tiun retejon, vi konsentas pri nia uzo de kuketoj. Privateca Politiko
Malakcepti Akceptu