Kiel Funkcias Konstanta Nuna Blato DCDC en Alta Preciza Potenca Reguligo?

2025-12-19 - Lasu al mi mesaĝon

Artikolo Abstraktaĵo

A DCDC Konstanta Nuna Pecetoestas kerna komponanto en modernaj potencaj administradsistemoj, dizajnitaj por liveri stabilan kaj kontroleblan eligan kurenton sendepende de ŝarĝo aŭ eniga tensiovarioj. Ĉi tiu artikolo provizas ampleksan teknikan superrigardon pri kiel funkcias DCDC Constant Current Chips, ekzamenas ŝlosilajn elektrajn parametrojn, esploras realmondajn aplikaĵscenarojn kaj respondas oftajn teknikajn demandojn. La enhavo estas strukturita por subteni inĝenieran decidon, elekton de komponantoj kaj longdaŭran sistem-optimumigon dum ili kongruas kun aktuala serĉkonduto kaj profesiaj legadkutimoj.

AS6911SGA


Enhavo


Enhavo Skizo

  • Fundamentaj laborprincipoj kaj interna arkitekturo
  • Detala klarigo de elektraj kaj termikaj parametroj
  • Industriaj, aŭtomobilaj kaj konsumelektronikaj aplikoj
  • Teknikaj Oftaj Demandoj traktantaj oftajn inĝenierajn defiojn
  • Estontaj evolutendencoj kaj sistem-nivela integriĝo

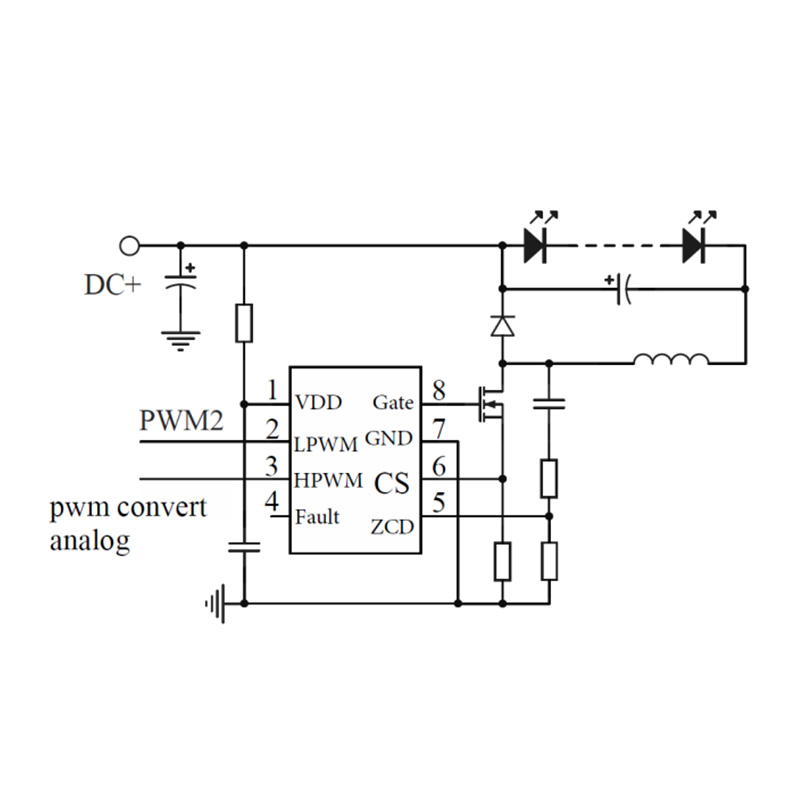
1. Kiel estas DCDC Konstanta Nuna Blato Desegnita por Reguli Fluon?

DCDC Konstanta Nuna Peceto estas ŝanĝ-reĝima potenca administrado integra cirkvito kiu konservas fiksan eligan kurenton dinamike ĝustigante devociklon, ŝanĝfrekvencon kaj retroregajn kontrolbuklojn. Male al konstanta tensio-reguligistoj, la primara kontrolvariablo estas aktuala prefere ol tensio, igante ĉi tiun tipon de blato esenca por ŝarĝoj kiel ekzemple LEDoj, laseraj diodoj, baterioŝargaj cirkvitoj kaj precizecaj sensiloj.

Internally, the chip integrates a high-speed error amplifier, current sense comparator, reference voltage source, and power MOSFET driver. The current flowing through the load is sampled via an internal or external sense resistor. Tiu sentita signalo estas komparita kontraŭ referencsojlo, kaj la kontrollogiko alĝustigas ŝanĝan konduton por kompensi liniojn aŭ ŝarĝŝanĝojn.

La centra dezajnocelo estas nuna stabileco sub diversaj enirkondiĉoj. Funkciante en buk, boost, aŭ buck-boost topologioj, DCDC Constant Current Chip povas subteni larĝajn enigajn tensiajn gamojn konservante efikecon kaj termikan sekurecon.


2. Kiel Ŝlosilaj Parametroj Difinas la Agadon de DCDC-Konstanta Nuna Blato?

Elekti taŭgan DCDC Constant Current Chip postulas proksiman taksadon de ĝiaj elektraj, termikaj, kaj kontrolkarakterizaĵoj. Ĉi tiuj parametroj rekte influas sisteman fidindecon, efikecon kaj konformecon al reguligaj normoj.

Parametro Tipa Gamo Teknika Signifo
Eniga Tensia Gamo 3V - 60V Difinas kongruon kun kuirilaroj, adaptiloj aŭ industriaj busoj
Eliga Nuna Precizeco ± 1% ĝis ± 5% Determinas precizecon de nuna reguligo sub dinamikaj ŝarĝoj
Ŝanĝanta Ofteco 100kHz - 2MHz Influas efikecon, EMI-efikecon kaj pasivan komponentgrandecon
Efikeco 85% - 98% Rekte influas termikan disipadon kaj perdon de potenco
Termika Protekto 150 °C - 170 °C Malŝalto Malhelpas fiaskon de aparato sub troŝarĝo aŭ nesufiĉa malvarmigo

Altnivelaj aparatoj ankaŭ integras funkciojn kiel mallaŭt-komenca kontrolo, PWM-malklariginterfacoj, analoga nuna alĝustigo kaj faŭlto-diagnozo. Tiuj kapabloj simpligas sistem-nivelan dezajnon kaj reduktas la bezonon de ekstera cirkulado.


DCDC Konstanta Nuna Blato - Oftaj Demandoj kaj Respondoj

Q: Kiel DCDC Konstanta Nuna Blato konservas stabilan eliron kiam eniga tensio fluktuas?

R: La blato kontinue kontrolas ŝarĝan fluon per retrosciiga buklo kaj ĝustigas la ŝanĝan devociklon en reala tempo, kompensante ajnajn ŝanĝojn en eniga tensio sen ŝanĝi la reguligitan kurentnivelon.

Q: Kiel estas varmo administrita en alt-nuna DCDC-konstanta Nuna Blato-aplikoj?

A: Varmo estas administrita per alt-efikecaj ŝanĝaj topologioj, malalta RDS (ŝaltita)MOSFEToj, termikaj malŝaltaj cirkvitoj, kaj optimumigitaj PCB-aranĝoj, kiuj plibonigas varmodissipadon.

Q: Kiel konstanta nuna blato diferencas de konstanta tensio-reguligilo en sistema dezajno?

R: Konstanta nuna blato prioritatas nunan precizecon prefere ol tensiostabilecon, igante ĝin taŭga por kurent-sentemaj ŝarĝoj kie tensio povas varii depende de operaciaj kondiĉoj.


3. Kiel Estas DCDC Konstanta Nuna Blato Aplikata Tra Industrioj?

DCDC Konstanta Nuna Pecetos estas vaste deplojitaj tra pluraj industrioj pro sia fleksebleco kaj efikeco. En solidsubstancaj lumsistemoj, ili certigas unuforman brilecon kaj plilongigas LED-vivdaŭron. En aŭtielektroniko, ili apogas adaptan lumon, instrumentaretojn, kaj bateriajn administradsubsistemojn.

Industriaj aŭtomatigsistemoj uzas tiujn fritojn por movi sensilojn, aktuariojn, kaj optikaj komponentoj kiuj postulas antaŭvideblan nunan konduton. Medicinaj aparatoj dependas de konstanta aktuala reguligo por garantii signalan precizecon kaj paciencan sekurecon. Konsumelektroniko profitas de kompakta integriĝo kaj malalta energikonsumo, precipe en porteblaj aparatoj.

Ĉiu aplikaĵscenaro trudas unikajn elektrajn kaj mediajn postulojn, plifortigante la gravecon elekti blaton kun taŭgaj protektaj trajtoj kaj kontrolinterfacoj.


4. Kiel Evoluos DCDC Konstanta Nuna Blata Teknologio?

La evoluo de DCDC Constant Current Chip-teknologio estas pelita de kreskanta postulo je pli alta efikeco, pli larĝa eniga tensio-toleremo kaj inteligenta kontrolo. Estontaj dezajnoj emfazas ciferecajn kontrolbuklojn, adaptan nunan skalon, kaj pli mallozan integriĝon kun mikroregiloj kaj komunikadinterfacoj.

Larĝ-bendaj duonkonduktaĵoj kiel ekzemple GaN kaj SiC influas venontgeneraciajn arkitekturojn ebligante pli altajn ŝanĝajn frekvencojn kaj reduktitajn konduktajn perdojn. Aldone, sistemo-sur-blato integriĝo reduktas piedsignon dum plibonigas fidindecon.

Ĉar elektraj sistemoj iĝas pli distribuitaj kaj inteligentaj, konstanta nuna reguligo restos fundamenta kapablo subtenanta energiefikecon kaj rendimentooptimumigo.


Shenzhen Cokintech Co., Ltd.temigas la evoluon kaj provizon de alt-efikecaj DCDC Constant Current Chip-solvoj adaptitaj por industriaj, aŭtomobilaj kaj altnivelaj elektronikaj aplikoj. Per kontinua inĝenieristiko rafinado kaj kvalit-movita fabrikado, la firmao subtenas stabilajn kaj skaleblajn potencajn administraddezajnojn.

Por teknikaj konsultoj, agordo de parametroj aŭ specifaj rekomendoj pri aplikaĵo, bonvolukontaktu nindiskuti projektpostulojn kaj longtempajn kunlaborajn ŝancojn.

Sendu Demandon

X
Ni uzas kuketojn por oferti al vi pli bonan foliuman sperton, analizi retejon-trafikon kaj personecigi enhavon. Uzante ĉi tiun retejon, vi konsentas pri nia uzo de kuketoj. Privateca Politiko